⭐ 欢迎来到虫虫下载站!
|
📦 资源下载
📁 资源专辑
ℹ️ 关于我们
⭐ 虫虫下载站
🔐
登录
📝
注册
虫虫下载站
专业电子工程师资源平台
📤 上传资源
🏠 首页
📦 资源下载
📁 资源专辑
🔧 热门软件
⭐ 精品资源
🎓 基础知识
📐 电路图
📚 电子书
🔢 在线计算器
🔍 代码搜索
🏠 首页
›
电路图
›
基础电路
›
新颖的门灯开关电路图
新颖的门灯开关电路图
📅 发布时间:
2013-09-19 23:00
👁️ 浏览:
0
🏷️ 标签:
门灯
开关电路图
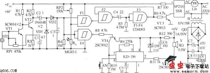
安于门外的门灯开关,经常被人随便乱开、关,极易损坏,为此制作了新颖门灯开关。这种门灯开关是敲击式的,并兼有门铃的作用。电路如图所示,它主要由敲击检测电路、门灯触发与延时控制电路、门铃电路及电源电路等组成。F1~F4选用CD4093数字集成电路。音乐集成电路选用KD-156型号。VT1、VT2选用SC9014三极管;VT3选用SC9013三极管;VT4选用2SC9012;VT5选用2SC8050。RG选用CdS光敏电阻。固态继电器SSR选用SP2110。门灯可使用功率为40W或60W的灯泡。HTD选取的压电陶瓷片直径越大,敲门触发灵敏度则越高。其他元器件选用如图所示。
觉得这篇文章有帮助吗?
👍 来顶一下 (
78
)
🔐 用户登录
×
加载中...
加载登录表单中...
🎁
免费注册送10积分
×
加载中...
加载注册表单中...
🔑 找回密码
×
加载中...
加载表单中...
🔐
需要登录
×
🔒
登录后即可使用!
🎁
新用户注册立即送10积分
积分可用于下载资源,免费获取优质技术资料
🚪
退出登录
×
👋
确认要退出登录吗?
退出后需要重新登录才能下载资源