⭐ 欢迎来到虫虫下载站!
|
📦 资源下载
📁 资源专辑
ℹ️ 关于我们
⭐ 虫虫下载站
🔐
登录
📝
注册
虫虫下载站
专业电子工程师资源平台
📤 上传资源
🏠 首页
📦 资源下载
📁 资源专辑
🔧 热门软件
⭐ 精品资源
🎓 基础知识
📐 电路图
📚 电子书
🔢 在线计算器
🔍 代码搜索
🏠 首页
›
电路图
›
基础电路
›
用与非门组成的负电源发生器电路图
用与非门组成的负电源发生器电路图
📅 发布时间:
2013-09-19 23:10
👁️ 浏览:
2
🏷️ 标签:
与非门
负电源
发生器电路
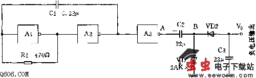
在电子设备中有时需用一组功率不大的负电源,可用三个与非门按图所示方法连接,即可进行电源极性变换。图示电路中A1、A2组成约4kHz的自激多谐振荡器,A3起缓冲作用,同时也起整形作用。当电路振荡A3输出高电平时,VD1导通,C2被充电,A正B负,这时VD2截止。当A3输出端变为低电平时,由于C2两端电压不能突破,故此时B点应为负电压,VD1截止,VD2导通,输出负电压。该电路如用+5V作正电源,在空载时可输出-3V,在负载为430欧时,输出为-2V;负载为200欧时,输出为-1.5V;负载为100欧时,输出为-1V.若要提高负电压的幅度,可提高A1~A3集成电路的供电电压即可。
觉得这篇文章有帮助吗?
👍 来顶一下 (
82
)
🔐 用户登录
×
加载中...
加载登录表单中...
🎁
免费注册送10积分
×
加载中...
加载注册表单中...
🔑 找回密码
×
加载中...
加载表单中...
🔐
需要登录
×
🔒
登录后即可使用!
🎁
新用户注册立即送10积分
积分可用于下载资源,免费获取优质技术资料
🚪
退出登录
×
👋
确认要退出登录吗?
退出后需要重新登录才能下载资源