1、工作原理
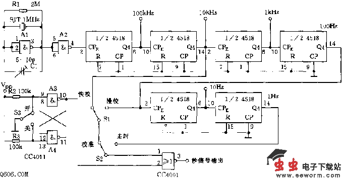
如图所示电路是由双BCD同步加计数器CC4518、四2输入端与非门CC4011和四2输入端或非门CC4001等构成的秒信号发生器。
电路中,由CC4011门A1构成的晶体振荡电路产生的1MHz脉冲信号,经反相器门A2送至由CC4518构成的多级计数分频器。其中第一级10分频后输出为100kHz,第二级输出为10kHz,第三级输出为1000Hz,第四级输出为100Hz,第五级输出为10Hz,第六级输出为1Hz。
电路中,由CC4011的门A3、A4构成R-S触发器和CC4001的一个门组成了秒信号控制门。当允许工作开关S3置“开”位置时,允许输出秒信号;置“关”位置时,禁止输出秒信号。走时,较准开关S2置“走”位置时,输出秒信号;置校准位置时,输出校准信号。若秒信号与标准时间相差较大,把S1置快校准位置,送出10kHz信号;若接近标准时间,则置慢校准位置,送出100Hz信号。
本电路中,双BCD同步加计数器集成电路CC4518的计数脉冲由CPe端输入,所以所有的CP端均接地。输出端只用了Q4,其余输出端可悬空。16脚(Vdd)接正电源,8脚(Vss)接地。
2、CC4001、CC4011、CC4518极限值
a、电源电压Vdd:-0.5V~+18V; b、输入电压V1:-0.5V~Vdd+0.5V; c、贮存温度范围Ts:-65度~+150度; d、焊接温度(10秒)Tl:265度。
3、推荐工作条件
a、电源电压Vdd:+3V~+15V; b、输入电压V1:0~Vdd; c、工作环境温度Ta:M类:-55度~+125度; R类:-55度~+85度; E类:-40度~+85度。

觉得这篇文章有帮助吗?