1、工作原理
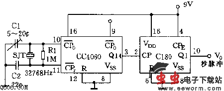
如图所示电路是由14位二进制串行计数器/分频器和振荡器CC4060、BCD同步加法计数器C180构成的秒信号发生器。
电路中利用CC4060组成两部分电路。一部分是14级分频器,其最高分频数为16384;另一部分是由外接电子表用石英晶体、电阻及电容构成振荡频率为32768Hz的振荡源。振荡器输出级经14级分频后在输出端Q14上得到1/2S脉冲并送入由C180构成的二分频器,分频后在输出端Q1上得到秒基准脉冲。检验电路是否工作,可测得CC4060的9脚有无振荡信号输出。调整微调电容C1可校准振荡频率。
本电路中,14位二进制串行计数器/分频器和振荡器集成电路CC4060的输出端只有Q14端,剩余输出端可悬空。
2、CC4060极限值
a、电源电压Vdd:-0.5V~+18V; b、输入电压V1:-0.5V~Vdd+0.5V; c、贮存温度范围Ts:-65度~+150度; d、焊接温度(10秒)Tl:265度。
3、推荐工作条件
a、电源电压Vdd:+3V~+15V; b、输入电压V1:0~Vdd; c、工作环境温度Ta:M类:-55度~+125度; R类:-55度~+85度; E类:-40度~+85度。

觉得这篇文章有帮助吗?