⭐ 欢迎来到虫虫下载站!
|
📦 资源下载
📁 资源专辑
ℹ️ 关于我们
⭐ 虫虫下载站
🔐
登录
📝
注册
虫虫下载站
专业电子工程师资源平台
📤 上传资源
🏠 首页
📦 资源下载
📁 资源专辑
🔧 热门软件
⭐ 精品资源
🎓 基础知识
📐 电路图
📚 电子书
🔢 在线计算器
🔍 代码搜索
🏠 首页
›
电路图
›
基础电路
›
精确的秒脉冲信号产生器电路图
精确的秒脉冲信号产生器电路图
📅 发布时间:
2013-09-19 21:10
👁️ 浏览:
0
🏷️ 标签:
秒脉冲
信号产生器
电路图
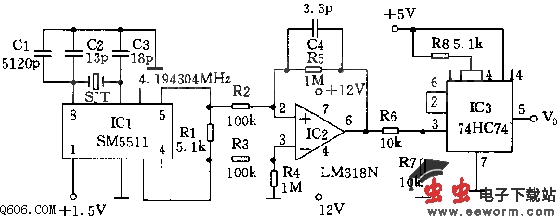
在数字电路中常常需要用精确的秒脉冲信号来对检测的信号进行采样取值。实际中多采用高频振荡器产生高频信号,然后经多级分频电路得到。这里介绍一种利用高频石英钟集成电路SM5511产生精确的秒脉冲的电路。
工作原理:电路如图所示。IC1通电后,在其3脚与5脚分别产生正的与负的窄幅脉冲信号。两路脉冲信号经高速运算放大器IC2比较放大后合并成周期为1秒的窄幅脉冲信号,经IC3 D型触发器后变成周期为2秒,占空比为1的秒脉冲信号。
调节微调电容C1可以改变石英谐振器SJT的振荡频率。配合高精度的高频计数器调节电容C1便可以得到精确的秒脉冲信号。
觉得这篇文章有帮助吗?
👍 来顶一下 (
41
)
🔐 用户登录
×
加载中...
加载登录表单中...
🎁
免费注册送10积分
×
加载中...
加载注册表单中...
🔑 找回密码
×
加载中...
加载表单中...
🔐
需要登录
×
🔒
登录后即可使用!
🎁
新用户注册立即送10积分
积分可用于下载资源,免费获取优质技术资料
🚪
退出登录
×
👋
确认要退出登录吗?
退出后需要重新登录才能下载资源