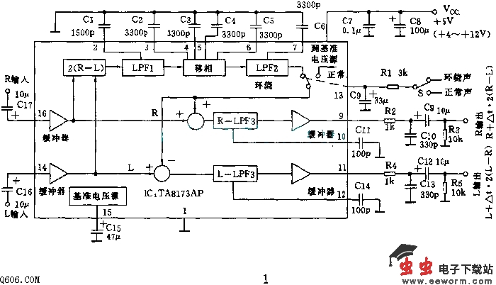
1、工作原理
电路如图1所示,输入、输出均为双通道,利用13脚上的开关可选择正常声或环绕声。输入R、L信号在经过缓冲器后分为主信号和副信号。副信号经R-L后送至低通滤波器LPF1,然后移相,再经低通滤波器LPF2后,由开关选择与主信号相加。其中R声道信号是作同相加法,这样得到的信号再经低通滤波器LPF3及缓冲器后输出。

Loo=L+t.2(L-R) Roo=R+t.2(R-L)式中,t为移相产生的延迟时间。
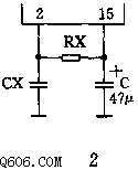
副信号的合成比2(L-R)可利用外接电阻来减小,已达到最佳听感,如图2所示。当RX减小时,合成比也减小,一般为数千欧姆,此时2脚上的电容CX的值也应增加(1+10k欧/RX)信,10k欧为集成块IC内部2脚和15脚间阻值。故CX=[1+(10k欧/RX)]X1500pF

觉得这篇文章有帮助吗?