设电路初始状态Q为低电平,Q'为高电平。Q'端通过RB对CB充电,使CB两端电压逐渐上升,直至达到置位电平,则Q'由高变低,Q由低变高,CA开始被充电,CB通过RB并联的二极管VD1放电,CA两端电压逐渐上升,直至达到复位电平,则Q由高变低,Q'由低变高,完成一个脉冲振荡周期。
如果输出脉冲从Q端输出,脉冲持续时间TA=0.7RA.CA,截止时间TB=0.7RB.CB,重复频率f=1/(TA+TB)。由图可知,决定时间常数TA与TB的是两个完全分开的RC网络,可独立调节其数值而互不影响,实现占空比可调节的脉冲发生器。该脉冲发生器与数据端D与触发器端CL的状态无关。

$show_page$
如图是用D触发器组成多功能振荡器。该振荡器具有起振/停振控制,相位控制和占空比可调控制的功能。Vc为起停控制电压,当Vc为低电平时,由于二极管VD1、VD3的箝位作用,使D触发器的复位端R和置位端S的电位为0.6V左右,此值小于门限电平,D触发器维持原状。当Vc由低向高跳变时,D触发器输出状态取决于输入电压Vp。若Vp为低电平,输出电压Vo亦为低电平;若Vp为高电平,输出电压亦为高电平。由此可见,Vp决定了振荡波形的起始电压,亦决定振荡器的相位。所以Vp又可称为相位控制电压。其振荡工作过程同图1电路一样。

如图是用双单稳态触发器CC4528构成的占空比和频率可调的多谐振荡器电路。它是将两个单稳电路(一块CC4528)连接起来,每当一个单稳脉冲结束,就促使下一级单稳脉冲产生,从而使电路维持多谐振荡。该电路可以调节两个单稳的外接Rx和Cx元件来改变振荡频率,同时很容易得到占空比可调的振荡输出。它的占空比可以在一个很宽的范围内调节。

$show_page$
如图是用CC4528组成的键控振荡器。当键控输入V1为高电平时,经2输入与非门从负跳变触发单稳电路I,由QA的上跳变去触发单稳电路II,从QB'输出振荡脉冲。振荡频率由单稳电路I的外接元件Rx1和Cx1决定,占空比由单稳电路II的外接元件Rx2和Cx2决定。
当V1由“1”变“0”时,单稳电路I复位,停止输出振荡脉冲。

$show_page$
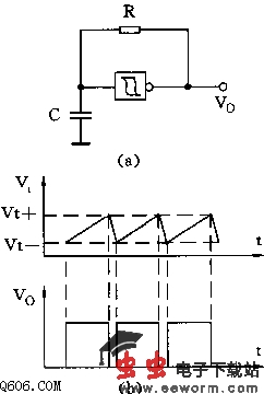
如图是用施密特触发器附加一个电阻和一个电容组成的振荡器电路。当输出端为“1”时,经电阻R向电容C充电直至上限阀值电压Vt+,输出由“1”变“0”。然后,电容C上的电压经R向输出端放电至下限阀值电压Vt-时,输出由“0”变“1”,如此周而复始,电路引起振荡。

$show_page$
如图是可调用施密特触发器构成的占空比可调的多谐振荡器。图中,用二个可调电阻R1和R2分别与两个极性相反的二极管相接后并联。当改变电阻R1的阻值时,可改变振荡器的充电时间常数,从而改变了输出脉冲的高电平宽度T1;当改变电阻R2的阻值时,可改变振荡器的放电时间常数,从而改变了输出脉冲的低电平宽度T2.

觉得这篇文章有帮助吗?