在某些测量与控制系统中,有时要用到同频率而有固定相位差的几路信号,并要求信号的频率能在一定的范围内变化,以适应测量及控制的需要。用一般的电子线路是很不容易达到的,而采用单片机却可以轻而易举的实现。此文介绍的用单片机构成的多路移相信号发生器能输出几路及至十几路同频率但相位差不同的信号,并能在一定频率范围内变动,而各路间的移相仍维持恒定不变。用单片机构成的这类电路,不光硬件简单,而且软件也很简单,它与一般的电子线路相比较,具有电路简单、体积小、价廉等优点。
1、工作原理
电路如图1所示。是多路移相信号发生器的电原理图,该发生器是变换是通过取反指令CPL来实现的。

程序在运行每条指令时都得耗费一定的时间,而本程序正是利用这一时间来形成各路之间的相移。特别是DJN2指令(N次)的自循环,构成了延时的主体。由于本三相信号要求各路间相位差为准确120度,故自循环次数N1、N2、N3关系为N1=N2=N3+1.
$show_page$
自循环次数决定了输出信号频率的高低,自循环次数越多,程序循环也越快,输出信号的频率越高;反之,则越低。当=12MHz时,输出信号的最高频率约为29kHz;当=1.2MHz时,输出信号的最低频率约为32kHz。
当=6MHz时,我们要求输出的信号频率f=400Hz。此时N1=N2=66H,N3=65H.
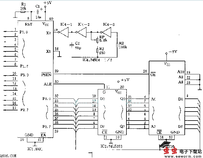
当变化范围是1.2~12MHz时,f的变化以单片机8031为核心构成的最小系统。8031采用分时工作方式(由ALE信号控制)。前半周P0口(P0.0~P0.7)输出地址线低八位至地址锁存器IC2(74LS373)进行地址锁存,然后再至EPROM存贮器IC3(2716)的地址线低八位(A0~A7)。由于本电路的源程序很短,用地址线的低八位已足够了,所以8031的高八位地址线P2口(P2.0~P2.7)可以空出不接,而IC3的高位地址线(A8~A10)均接地,这样可以简化电路。后半周,P0口作数据线使用,8031以IC3内获取指令,进行取指令执行指令等操作,IC3由PSEN信号选通。
8031的P1口(P1.0~P1.7)8个脚单独具有输出锁存功能,且互不干扰,故可用作8路信号输出,与之相似。P3口(P3.0~P3.7)的8个脚因未作其它用(P3.6WR脚、P3.7RD脚在本电路中未用),也可以作输出信号之用,故总共可以输出16路。
为了使输出信号的频率能在一定范围内变动,8031采用外部时钟源驱动方式,由六反相器IC4(74S04)中的两个反相器与电阻R2、RP、C2构成方波振荡器,其振荡频率(时钟频率)=1/2.2(RP+R2).C2。改变电位器RP的值,即可改变时钟频率。时钟频率的变化范围为1.2~12MHz。
2、应用实例
a、三相信号发生器:图8为三相信号相位图。图9为程序流程图,图表2为源程序。输出为标准的方波,方波A由P1.0脚输出,方波B由P1.1脚输出,方波C由P1.2脚输出。各方波之间的相位差为120度。


$show_page$
它的软件非常简单,只有14条指令,当从LOOP0运行一遍又回到LOOP0,即完成了前半周(0~180度)的输出。再重复一遍,就完成了后半周(180~360度)的输出。也就是说,每运行两遍便完成了一个周期。各方波正、负半周的范围是80~800Hz,且各路之间的相位差仍精确地等于120度。
本电路还有一个优点,当想改变输出的路数及相位差时,只须在软件上作相应的改动,而电路不动,这对于一般的电子线路而言是不可能的。
四路信号发生器电原理图似如图7,相位图如图0所想示,源程序如图表3,总共18条指令。程序运行方式和图表2大体相同,只是因为各路之间相位差不等,故各N值也不相等,通过计算机知N1、N2、N3、N4分别为0CH、2FH、13H、27H.A、B、C、D四方波依此由P1.0、P1.1、P1.2、P1.3输出。在1.2~12MHz之间变化时,f的变化范围是200~2000Hz。各路之间相位差保持不变。

取一片干净的EPROM存贮片2716,将表2或表3的机器码从0000H单元开始写入(可在成品单片机、单板机、微机上进行)。[!--empirenews.page--]
该发生器无须调试,只要元器件质量可靠,装焊无误,一装就成,接通电源便可工作。
