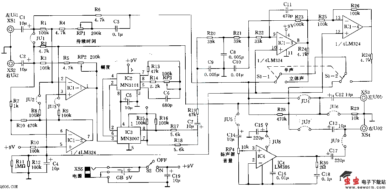
如图是声效发生器的电路原理图。电源可用9V电池或用外加9V直流电源插入电源插口XS5来进行供电。
1、工作原理
电路的核心元件是一只1024级斗链式电荷耦合器件(BBD)集成电路IC3(MN3007)。BBD的工作原理是每次时钟脉冲加上时,一只斗桶中的电荷通过开关电容转移后,到输出端时就成为延时信号,其延时时间的长短由时钟速率和BBD的级数来决定。本文采用1024级的BBD,若将经过延时后的声音再反馈至输入端,便可获得混响的效果。
图中跳线JU1~JU9要根据本电路使用是否处于保护情况而决定,这在后而还要讨论。为了解电路工作原理,先假定只连接跳线JU4和JU7,这相当于在立体声音响信号上加上环绕声混响效果的配置,输入端设定在线路电平挡以允许接收立体声录像机或LD播放机送来的信号。
在插口XS1和XS2上的左声道和右声道的输入信号经电阻R2和R6后,直接送到输出插口XS3和XS4,这种情况下可听到未经延时的原信号。左、右输入信号在IC1-1中相加,IC1-1为LM324四运放集成电路中的一只运放,其相加的输出是放大还是衰减取决于微调电位器RP2的设定位置。
IC1-1的输出送至BBD器件IC3的输入端,而时钟发生器IC2(MN3101)和电位RP3以及其它相关元件用来设定BBD的延时。微调电位器RP1和R4、C3串联后可控制送到输入端的反馈电平,这一电平可以决定延时信号在电路中循环可以达到多长时间。经IC3延时后的输出由IC1-3极其低通滤波以剔除BBD输出中的时钟信号成分。然后输出中的时钟信号成分。最后再将滤波输出中的一部分送回至左声道,其中另一部分反馈至输入端以营造混响效果。
要得到环绕声效果,可将IC1-3的输出送到反相放大器IC1-4,其输出信号与IC1-3的输出信号相位相反,将此反相信号送回至右声道,结果在扬声器中放音时,左、右声道的一部分信号相抵消,但由于抵消后的声音来自延时后的声音而不是来自源信号,因而它具有加宽声场的效果,或者可使你的两只扬声器听起来隔得很远。
$show_page$
通过开关S1可选择环绕声声效立体声模式与正常声效单声道模式。正常声效单声道模式是将低通滤波器输出直接送至左、右声道输出。若连接了跳线JU1,则在XS1线XS2插口输入一单声道信号时,在两个输出端也能听到模拟的立体声信号。对于话筒输入情况,只有跳线JU2、JU3、JU5、JU6、JU8和JU9必须连接,这时话筒应插入XS2.这种情况下,XS4处的右声道输出是IC4(LM386)运放输出放大到扬声器电平的信号,而XS3处的左声道输出则为话筒电平信号。电位器RP4用来控制连接到XS4的扬声器音量,若不用话筒输入这一任选项,则放大器IC4以及JU5与JU8之间的所有元件一概不用。只要连接跳线JU2、JU3、JU4、JU7,则本机处于话筒输入,输出则为环绕声声效的线路电平输出;若只连接跳线JU4和JU7,且拆去R6和R2,则输出端只出现延时后的信号而无原信号,这一情况最适用于电视环绕声系统的后方声道。
为了以上介绍的各种应用情况不致引起配置情况的混乱,图表对上述各种情况下如何连接各个跳线和用不用R2和R6作了总结。
2、安装与使用
a、安装时,除R2和R4外,先将其它所有的固定电阻装好,再装电容。电解电容应仔细检查其极性是否安装正确。
b、在安装跳线时,要根据使用的具体情况参考表,弄清楚哪根跳线要接,哪根跳线不能接,这部分安装工作特别容易弄错,因此要格外细心。焊接时应有一定牢度,且各个电位器、开关、插口的安装位置和高度应准确地和外壳上开孔的部位配合良好。
c、应将电位器RP1、RP2放在其最小电阻位置,这时的混响持续时间和幅度均为最大(本声效发生器的延时可在0~500ms之间变化)。当然,具体数值可在聆听时通过实验决定。
d、如何将本声效发生器配置成环绕声效果的示意图。这时声效发生器输入应配上立体声信号源,如立体声录像机等。声效发生器的输出再用立体声放大器放大后送到后方左、右声道扬声器。也可以将输出直接连接到一对带放大器的扬声器。
e、如果将单声道信号源来取得立体声模拟,可在XS1和XS2插口处输入单声道信号,便可在XS3和XS4处输出模拟的立体声信号。[!--empirenews.page--]
f、如将本发生器用于混响声效,则可将话筒信号输入到XS2插口,该信号便在发生器中受到延时和放大,在XS3处可得到话筒电平的输出,也可将扬声器插入XS4,以利用放大后的输出。