一般音频FSK信号是利用可变分频器将较高频率的日振信号转换为不同的音频输出,但这种方法相位不连续,结果使FSK信号占有很宽的频带。本电路采用伪正弦波发生器产生的FSK信号,具有晶体的高精度和相位连续的频移。
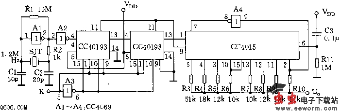
工作原理:如图所示电路是由双4位串入--并出移位寄存器CC4015、可预置4位二进制加/减计数器CC40193和六反相器CC4069等构成的频移键控信号(FSK)发生电路。
电路中,CC4069的门A1构成晶体振荡器,两片CC40193对晶振信号进行分频,分频系数由键控端K信号决定。当K为高电平“1”状态时,二进制预置数为00111010,分频系数N=32+16+8+2=58,当K为低电平“0”状态时,二进制预置为01000101,分频系数N为69.CC4015串接成环形,其输出经过精密电阻网络,产生16分频的阶梯形为正弦波,每个周期有16个阶跃点。
虽然本电路采用了晶振,但实际上也适合其它方波输入,输入频率f由测出的要求决定,关系是fo=f/16(N+1),其中N是分频器的分频系数。例如当f=1.2MHz时,输出频率是1070Hz和1270Hz。
本电路中,双4位串入一并出移位寄位器集成电路CC4015的复位端Ra由电阻R和电容C构成开机自动清零电路。CC4015的16脚(Vdd)接5V电源的正极,8脚(Vss)接5V的负极。CC4015、CC4069、CC40193极限值:
1、电源电压Vdd:-0.5V~+18V; 2、输入电压Vi:-0.5~Vdd+0.5V; 3、贮存温度范围Ts:-65摄氏度~+150摄氏度; 4、焊接温度(10秒)Tl:265摄氏度。
推荐工作条件
1、电源电压Vdd:+3~+15V; 2、输入电压V1:0~Vdd; 3、工作环境温度Ta:M类:-55~+125摄氏度 R类:-55~+85摄氏度 E类:-40~+85摄氏度
频移键控信号(FSK)发生器电路图
觉得这篇文章有帮助吗?