⭐ 欢迎来到虫虫下载站!
|
📦 资源下载
📁 资源专辑
ℹ️ 关于我们
⭐ 虫虫下载站
🔐
登录
📝
注册
虫虫下载站
专业电子工程师资源平台
📤 上传资源
🏠 首页
📦 资源下载
📁 资源专辑
🔧 热门软件
⭐ 精品资源
🎓 基础知识
📐 电路图
📚 电子书
🔢 在线计算器
🔍 代码搜索
🏠 首页
›
电路图
›
基础电路
›
数字正弦波发生器电路图
数字正弦波发生器电路图
📅 发布时间:
2013-09-19 13:00
👁️ 浏览:
5
🏷️ 标签:
数字
正弦波发生器
电路图
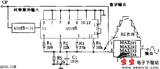
此电路由模拟数字转换器(4018B)和一个固定滤波器(MAX29X)构成。原理如图所示。时钟脉冲输入CP的一部分驱动MAX29X滤波器,另一部分被第一个10位计数器(4018B)分频,再由第二个10位计数器分频,输出的阶梯波经R5和C1的作用使其转变为平滑的正弦波,再经滤波器滤波后输出。
电路的输出频率随时钟输入而变,其关系为fout=f in/100.
觉得这篇文章有帮助吗?
👍 来顶一下 (
55
)
🔐 用户登录
×
加载中...
加载登录表单中...
🎁
免费注册送10积分
×
加载中...
加载注册表单中...
🔑 找回密码
×
加载中...
加载表单中...
🔐
需要登录
×
🔒
登录后即可使用!
🎁
新用户注册立即送10积分
积分可用于下载资源,免费获取优质技术资料
🚪
退出登录
×
👋
确认要退出登录吗?
退出后需要重新登录才能下载资源