该450Hz信号可用于通讯机中的服务信号音;800Hz信号用于通讯机测试信号源。同时该两种信号还可用作低频放大电路的故障检查及其它音频信号源。
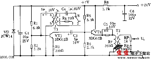
450/800Hz振荡电路是一只变压器偶合振荡器。电路如图所示。该频率的变换是通过改变振荡槽路变量器T1的抽头取得不同电感量来实现。将信号控制开关S扳向“1”挡,振荡回路C4与T1的1-2端并接,频率为800Hz,经VT2射极输出至RP电位器的可调整输出。通过调节电位器RP可改变800Hz输出大小,可调范围0正负1.7/17dB。振荡回路中的电阻R4供调节800Hz振荡幅度。
若S扳向“2”时,C与T1的1-3相接,振荡频率即为450Hz。调节T1螺纹调节杆可微调振荡器的振荡频率。低频变量器T1、T2的型号及规格为GU30X19MXD1-2K.正常时振荡器各级工作点如表所示。
换管后,若偏离较大,VT1可调整R1,VT2调R5即可。
觉得这篇文章有帮助吗?