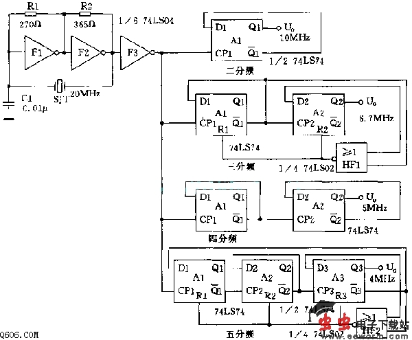
电阻R1和R2将两个反相器F1、F2偏置在线性范围内,并由晶体SJT提供反馈回路,其在晶体的基频上产生20MHz振荡频率,然后由反相器F3送至由74LS74构成的D型触发器进行分频。若要进行二分频或四分频、八分频等,则需遵循2'n分频规律(n为级数)。n=1,则2'1=2分频,即将20MHz经A1=分频电路后,Q1输出10MHz;若四分频,n=2,则2'2=4分频,即将20MHz,经A1、A2四分频电路后,Q2输出5MHz;若进行三分频,当f第三个脉冲过后,Q1=1,Q2=1,这时Q'1=0,Q'2=0,或非门HF1输出为1,至R端复位,将Q1、Q2复位为00,结果经A1、A2三分频后,Q2约输出约6.7MHz;若需五分频,当计数为5时,Q1、Q2、Q3=101,即Q'1=0,Q'3=0,或非门HF2输出为1,将Q1、Q2、Q3复位为000,结果Q3输出4MHz频率。

明确输出状态由D决定,而输出状态的翻转则由CP来控制这一点,则可产生多种适合自己需要的频率。
觉得这篇文章有帮助吗?