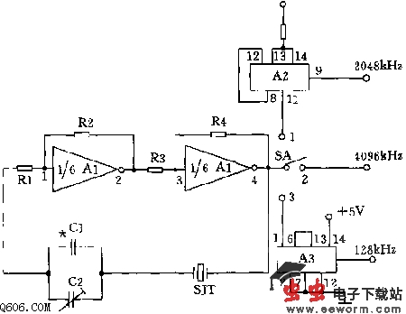
其中,A1和晶体谐振SJT及C1、C2组成4096kHz的方波信号。将开关SA置于1接点,送至A2,经过A2的二分频后,获得2048kHz振荡信号;将开关SA置于3接点送至A3,经A3进行32分频后,得到128kHz振荡信号。调谐电容C1和C2,可使频率精确的调谐在中心频率上。
元器件选择:电容C1为15p(微调电容器)。电阻R1、R3为220欧,R2为560欧,R4为1.8k欧,R5为1k欧,其标称功率均为1/8W.集成电路A1为7404,A2为74LS74,A3为74LS393.石英晶体SJT为SW60A-4096kHz。开关SA为KNX(1X3)。

觉得这篇文章有帮助吗?