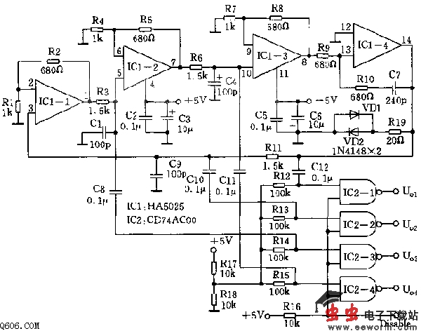
用含有四个电流反馈放大器的高频集成电路HA5025制作RC振荡器能产生四个正交正弦波,如图所示。图中,CD74AC00有四个与非门,在阈值偏置时,HA5025的四个独立放大器产生四个正弦波,正弦波AC耦合成输入便作为正弦波/方波转换器。
若反馈相移为零,振荡开环增益则大于或等于1.本设计有三个同相相移级和一个反相相移级(IC1-4)每级相移必须滞后45度,此相移加上IC1-4反相180度,则等于360度或0度,故在振荡器频率下同相反馈。

HA5025具有高开环增益带宽特点,因此放大器相移在1MHz范围内可以忽略不计,每级相移仅由无源元件来确定。在=45度时,R3C1=R10C7=1/2帕f;用图中所示元件值f=1MHz。此种RC电路,为45度时,相移与频率的变化率(d/dt)最大,所以,这种4RC结构稳定性特高,相位敏感性亦好,温度特性仅取决于无源元件。每个RC网络电压增益为0.707,同相放大器的增益为1.6时,可任意调节。1MHz时所有增益反向级稍大于1.将增益分布到四个放大器上,能很方便地控制开环增益上,因此,利用R19、VD1和VD2能控制限幅,把正弦波失真降到最低限度;通过C1、C4、C9和IC1-4输出可较好的正弦波输出。应用HA5025制作RC振荡器,频率也可扩展到20MHz以上,只是稍有些频率漂移。正交正弦波AC耦合到一块含4个CMOS(CD74AC00)门的电路上(利用R12~R18在阈值时产生偏流)就能得到正交方波。如果方波相互间相移不是正好45度,可调节偏流或增加偏置网络。
觉得这篇文章有帮助吗?