⭐ 欢迎来到虫虫下载站!
|
📦 资源下载
📁 资源专辑
ℹ️ 关于我们
⭐ 虫虫下载站
🔐
登录
📝
注册
虫虫下载站
专业电子工程师资源平台
📤 上传资源
🏠 首页
📦 资源下载
📁 资源专辑
🔧 热门软件
⭐ 精品资源
🎓 基础知识
📐 电路图
📚 电子书
🔢 在线计算器
🔍 代码搜索
🏠 首页
›
电路图
›
基础电路
›
800Hz振荡器电路图
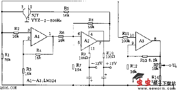
800Hz振荡器电路图
📅 发布时间:
2013-09-19 08:30
👁️ 浏览:
0
🏷️ 标签:
800
Hz
振荡器
电路图
本800Hz振荡器,具有电路简单、频率准确度高及输出电平稳定的特点。
工作原理:电路如图所示。由四运算放大集成块A1~A3(LM324)及SJT(YYZ-2-800HZ)音叉构成的800Hz振荡器。当SJT产生出800Hz振荡信号反馈至A1、A2组成的两级运算放大器,由A2 7脚输出,通过电阻R5、SJT产生正反馈频率信号,放大后的800Hz又经一级A3放大后,其8脚送至电位器RP的可调臂输出(Uo)800Hz正弦波信号。
其中,调整电位器RP,可满足0dB/600欧的输出电平,可调范围正负3dB。
觉得这篇文章有帮助吗?
👍 来顶一下 (
62
)
🔐 用户登录
×
加载中...
加载登录表单中...
🎁
免费注册送10积分
×
加载中...
加载注册表单中...
🔑 找回密码
×
加载中...
加载表单中...
🔐
需要登录
×
🔒
登录后即可使用!
🎁
新用户注册立即送10积分
积分可用于下载资源,免费获取优质技术资料
🚪
退出登录
×
👋
确认要退出登录吗?
退出后需要重新登录才能下载资源