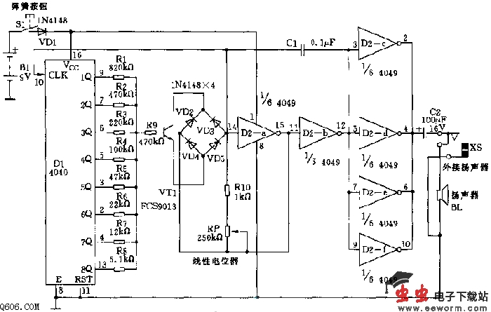
工作原理:电路原理如图所示。计散器D1是一只CMOS的4040型12级二进制计数器;D/A变换器由R1~R8的一组电阻简单的电路组成;压控振荡器由4049型六反相缓冲变换器中的二个“非”门(D2-a、D2-b)、三极管VT1和定时网络(包括VD2~VD5、C1、R10和RP)组成,二极管桥路实际上起压控电阻的作用;缓冲放大器是由4049型六反相缓冲变换器中剩下的四个“非”门(D2-c、D2-f)相并联构成的。
电路工作时,压控振荡器最初的振荡频率由电位器RP所调节的阻值确定。压控振荡器开始的振荡频率相当低,然后随着D/A变换器所供给的控制电压增加时逐渐升高。当计数器(D1)无输出时,流入三极管VT1的基极电流很小,所以压控振荡器的控制电压也很低。随着计数器的输出电压越来越高时,VT1的基极电流也逐渐增加,于是压控振荡器的振荡频率也随之升高。作为实验用该电路的音量是足够的,若想进一步增大音量,可加一级功放并采用功率较大的扬声器。

图中的4040型计数器可用国产CMOS的CH4040型12级二进制计数器代替,4049型反相器可用国产CMOS的CH4049(或J330)型六反相缓冲变换器代替,三极管可用国产NPN型小功率管代替,二极管1N4151用国产2CK73D管代替,扬声器BL用2英寸半的8欧高音扬声器。
该声响效果发生器电路简单,只要接线正确无误,一旦焊接完毕,接上电源并按压按钮开关S1,便可听到扬声器BL发出的声音。用电位器RP调节音调。为改变声响效果,可改变电源电压调试。
觉得这篇文章有帮助吗?