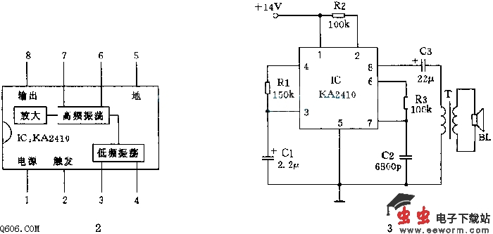
工作原理:本文以常见的KA2410为例,它的特点是输出功率大,工作电压范围宽(DC在10~28V),价廉易购。能直接代换的有CS8204、CIC9106、TA3100P等,其它类型的也可以按此原理应用。KA2410的引脚和内部电路如图2所示。该IC内部能产生一个低频信号和两个高音频信号,两个高频信号受低频信号的控制而交替输出。改变低频时间常数可以改变两个高频信号的输出交替快慢程度和时间长短,改变高频时间常数可改变输出信号的音调高低。

基于以上原理,只要改变IC的3、4脚和6、7脚的阻容元件数值,即可使输出有警车声、枪声、门铃声、洒水声等多种声音。
典型应用如图3所示。它可取代两片NE555产生警报声,且声音更加逼真而引人注意。KA2410的输出阻抗较高,如果用常见的低阻抗扬声器输出,最好用一只电话机振铃专用变压器匹配,这样声音效果更佳。如要求大功率输出的场合,可加一级功率放大器。
觉得这篇文章有帮助吗?