⭐ 欢迎来到虫虫下载站!
|
📦 资源下载
📁 资源专辑
ℹ️ 关于我们
⭐ 虫虫下载站
🔐
登录
📝
注册
虫虫下载站
专业电子工程师资源平台
📤 上传资源
🏠 首页
📦 资源下载
📁 资源专辑
🔧 热门软件
⭐ 精品资源
🎓 基础知识
📐 电路图
📚 电子书
🔢 在线计算器
🔍 代码搜索
🏠 首页
›
电路图
›
基础电路
›
自动录音电话接口电路图
自动录音电话接口电路图
📅 发布时间:
2013-09-19 02:10
👁️ 浏览:
4
🏷️ 标签:
自动
录音电话
接口电路图
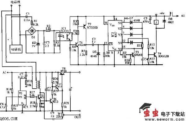
该电路具有自动应答及录音功能(需另配小型录音机或固态录音芯片),电路简单,静态电流小于20uA,接于电话的外部引线而不必打开电话机。IC1为光电耦合器;IC2(4017)为十进制计数/分配器,当第四次振铃结束后,10脚输出高电平触发后而电路工作;IC3为语音电路,存有“主人不在,请简短留言”。B的初级用0.1mm漆包线绕350匝,次级用0.07mm漆包线绕1000匝。
觉得这篇文章有帮助吗?
👍 来顶一下 (
98
)
🔐 用户登录
×
加载中...
加载登录表单中...
🎁
免费注册送10积分
×
加载中...
加载注册表单中...
🔑 找回密码
×
加载中...
加载表单中...
🔐
需要登录
×
🔒
登录后即可使用!
🎁
新用户注册立即送10积分
积分可用于下载资源,免费获取优质技术资料
🚪
退出登录
×
👋
确认要退出登录吗?
退出后需要重新登录才能下载资源