⭐ 欢迎来到虫虫下载站!
|
📦 资源下载
📁 资源专辑
ℹ️ 关于我们
⭐ 虫虫下载站
🔐
登录
📝
注册
虫虫下载站
专业电子工程师资源平台
📤 上传资源
🏠 首页
📦 资源下载
📁 资源专辑
🔧 热门软件
⭐ 精品资源
🎓 基础知识
📐 电路图
📚 电子书
🔢 在线计算器
🔍 代码搜索
🏠 首页
›
电路图
›
基础电路
›
电话自动留言控制器电路图
电话自动留言控制器电路图
📅 发布时间:
2013-09-18 23:00
👁️ 浏览:
6
🏷️ 标签:
电话
控制器电路图
自动
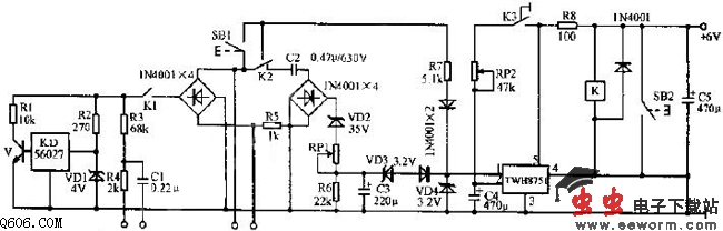
该录音电话控制器,抗干扰能力强,可避免一些误触发情况。当有电话打进来,响铃六次无人接后,此装置模拟电话自动摘机,接通语言电路,并发出语言“您好,主人不在,请简短留言”,同时接通录音机电源,录下对方留言的具体内容。
觉得这篇文章有帮助吗?
👍 来顶一下 (
81
)
🔐 用户登录
×
加载中...
加载登录表单中...
🎁
免费注册送10积分
×
加载中...
加载注册表单中...
🔑 找回密码
×
加载中...
加载表单中...
🔐
需要登录
×
🔒
登录后即可使用!
🎁
新用户注册立即送10积分
积分可用于下载资源,免费获取优质技术资料
🚪
退出登录
×
👋
确认要退出登录吗?
退出后需要重新登录才能下载资源