⭐ 欢迎来到虫虫下载站!
|
📦 资源下载
📁 资源专辑
ℹ️ 关于我们
⭐ 虫虫下载站
🔐
登录
📝
注册
虫虫下载站
专业电子工程师资源平台
📤 上传资源
🏠 首页
📦 资源下载
📁 资源专辑
🔧 热门软件
⭐ 精品资源
🎓 基础知识
📐 电路图
📚 电子书
🔢 在线计算器
🔍 代码搜索
🏠 首页
›
电路图
›
基础电路
›
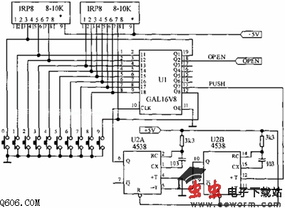
采用GAL器件的电子密码锁电路图
采用GAL器件的电子密码锁电路图
📅 发布时间:
2013-09-18 21:40
👁️ 浏览:
3
🏷️ 标签:
GAL
器件
电子密码锁
电路图
采用通用可擦除型GAL器件的电子密码锁,密码数据一旦写入,至少可以保存20年,同时密码可以随意设置和更改。且GAL器件具有保密功能,不易破译。当正确的密码输入,则状态机的状态向开锁方向转移,反之则退回到初始状态,输出端OPEN上跳成高电平,发出开锁信号。本密码锁的密码包含在状态机的逻辑中。
根据密码列出相应的密码状态机逻辑方程。此方程经GAL汇编程序编译后,生成相应的JEDEC文件,并用通用编程器写入GAL16V8,即可完成密码设置。
觉得这篇文章有帮助吗?
👍 来顶一下 (
86
)
🔐 用户登录
×
加载中...
加载登录表单中...
🎁
免费注册送10积分
×
加载中...
加载注册表单中...
🔑 找回密码
×
加载中...
加载表单中...
🔐
需要登录
×
🔒
登录后即可使用!
🎁
新用户注册立即送10积分
积分可用于下载资源,免费获取优质技术资料
🚪
退出登录
×
👋
确认要退出登录吗?
退出后需要重新登录才能下载资源