⭐ 欢迎来到虫虫下载站!
|
📦 资源下载
📁 资源专辑
ℹ️ 关于我们
⭐ 虫虫下载站
🔐
登录
📝
注册
虫虫下载站
专业电子工程师资源平台
📤 上传资源
🏠 首页
📦 资源下载
📁 资源专辑
🔧 热门软件
⭐ 精品资源
🎓 基础知识
📐 电路图
📚 电子书
🔢 在线计算器
🔍 代码搜索
🏠 首页
›
电路图
›
基础电路
›
双输出电子镇流器电路图
双输出电子镇流器电路图
📅 发布时间:
2013-09-18 19:50
👁️ 浏览:
10
🏷️ 标签:
输出
电子镇流器
电路图
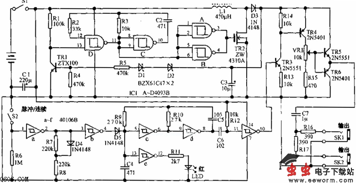
IC1、TR1、TR2、L1等组成输出80V的开关电源。其中IC1的一部分组成65kHz的方波振荡器经缓冲后驱动N沟道MOSFET-TR2,使TR2工作在开关状态。TR2每次导通的8us期间,流过L1的电流最大可达150mA,此时D3截止,L1以磁场的形式储存能量。当TR2截止时,L1产生的同方向感生电流经D3向C3充电,使C3电压升高。当它的电压升高到80V时,齐纳二极管D1、D2导通。于是TR1导通,将IC1的13脚为低电平,振荡器即停振并将输出电压限制在80V.IC2的六只反相器极其周围元件组成脉冲发生器,使开关电源产生的80V电压按照选定的脉冲方式输出到外接的电极。
注意:使用电子心脏起搏器的患者严禁使用本镇痛器。
觉得这篇文章有帮助吗?
👍 来顶一下 (
25
)
🔐 用户登录
×
加载中...
加载登录表单中...
🎁
免费注册送10积分
×
加载中...
加载注册表单中...
🔑 找回密码
×
加载中...
加载表单中...
🔐
需要登录
×
🔒
登录后即可使用!
🎁
新用户注册立即送10积分
积分可用于下载资源,免费获取优质技术资料
🚪
退出登录
×
👋
确认要退出登录吗?
退出后需要重新登录才能下载资源