⭐ 欢迎来到虫虫下载站!
|
📦 资源下载
📁 资源专辑
ℹ️ 关于我们
⭐ 虫虫下载站
🔐
登录
📝
注册
虫虫下载站
专业电子工程师资源平台
📤 上传资源
🏠 首页
📦 资源下载
📁 资源专辑
🔧 热门软件
⭐ 精品资源
🎓 基础知识
📐 电路图
📚 电子书
🔢 在线计算器
🔍 代码搜索
🏠 首页
›
电路图
›
基础电路
›
LM909 无线电遥控接收译码电路图
LM909 无线电遥控接收译码电路图
📅 发布时间:
2013-09-18 13:30
👁️ 浏览:
0
🏷️ 标签:
909
LM
无线电遥控
接收
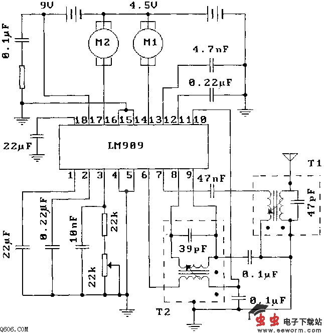
如图所示的遥控接收电路需要发射电路的性能指标如下:f射频=27MHz;f音频=5.5kHz,100%调制-方波;f'音频 正负600Hz,移频键控(FSK)160Hz,占空比为100%、60%或30%。
T1初级为10T,次级为4T;T2初级为12T,次级为2T;5mm框架。
觉得这篇文章有帮助吗?
👍 来顶一下 (
65
)
🔐 用户登录
×
加载中...
加载登录表单中...
🎁
免费注册送10积分
×
加载中...
加载注册表单中...
🔑 找回密码
×
加载中...
加载表单中...
🔐
需要登录
×
🔒
登录后即可使用!
🎁
新用户注册立即送10积分
积分可用于下载资源,免费获取优质技术资料
🚪
退出登录
×
👋
确认要退出登录吗?
退出后需要重新登录才能下载资源