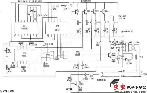
如图所示为五功能电冰箱保护器电路。该保护器由时基信号发生器、电网电压监视电路,整形电路、电器控制电路、漏电报警电路等组成。
时基信号发生器由IC1(CD4060)和R1、R2、W1、C1等组成。其产生5分40秒、22分30秒和12小时3种时间信号,时间信号经IC2(C043)逻辑结合后,由IC2⑨脚输出每隔12小时的22分30秒的化霜时间控制信号。
电网电压监视电路由IC3(C033)和W2、W3、R5、R6等组成,其中W2、W3分别为上、下限预置电位器。当电网电压在175~245V范围内变化时,IC3⑥、⑧脚均为0V,无控制信号输出。当电网电压低于175V时,IC3⑥脚输出控制信号}当电网电压高于245V时,IC3⑧脚输出控制信号。
漏电报警电路由BG7、D3、HTD、W4等组成。当发生漏电时,漏电流经D3整流后使BG7振荡,驱使压电陶瓷片HTD发出报警声响。
以上电路的输出信号均经IC4整形后使继电器吸合,相应切断电路电源。
本电冰箱保护器可实现欠压保护、过压保护、瞬间断电延时保护、漏电报警、自动化霜等5种功能,因而具有一定的实用价值。

觉得这篇文章有帮助吗?