⭐ 欢迎来到虫虫下载站!
|
📦 资源下载
📁 资源专辑
ℹ️ 关于我们
⭐ 虫虫下载站
🔐
登录
📝
注册
虫虫下载站
专业电子工程师资源平台
📤 上传资源
🏠 首页
📦 资源下载
📁 资源专辑
🔧 热门软件
⭐ 精品资源
🎓 基础知识
📐 电路图
📚 电子书
🔢 在线计算器
🔍 代码搜索
🏠 首页
›
电路图
›
基础电路
›
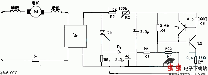
串励电动机的全波控制电路图
串励电动机的全波控制电路图
📅 发布时间:
2013-09-18 09:30
👁️ 浏览:
6
🏷️ 标签:
电动机
全波
控制电路图
该电路采用晶体管移相触发器和单向晶闸管控制串励电动机电路上的全波电压,从而可以在很宽的范围内控制电动机转速。电阻R5串联在单向晶闸管主电路上构成负反馈,可以稳定转速。R5的数值为0.1~1欧。二极管整流桥Br的作用是将交流转换成直流。
觉得这篇文章有帮助吗?
👍 来顶一下 (
85
)
🔐 用户登录
×
加载中...
加载登录表单中...
🎁
免费注册送10积分
×
加载中...
加载注册表单中...
🔑 找回密码
×
加载中...
加载表单中...
🔐
需要登录
×
🔒
登录后即可使用!
🎁
新用户注册立即送10积分
积分可用于下载资源,免费获取优质技术资料
🚪
退出登录
×
👋
确认要退出登录吗?
退出后需要重新登录才能下载资源