⭐ 欢迎来到虫虫下载站!
|
📦 资源下载
📁 资源专辑
ℹ️ 关于我们
⭐ 虫虫下载站
🔐
登录
📝
注册
虫虫下载站
专业电子工程师资源平台
📤 上传资源
🏠 首页
📦 资源下载
📁 资源专辑
🔧 热门软件
⭐ 精品资源
🎓 基础知识
📐 电路图
📚 电子书
🔢 在线计算器
🔍 代码搜索
🏠 首页
›
电路图
›
基础电路
›
环绕声处理器电路图
环绕声处理器电路图
📅 发布时间:
2013-09-18 08:30
👁️ 浏览:
13
🏷️ 标签:
环绕声
处理器
电路图
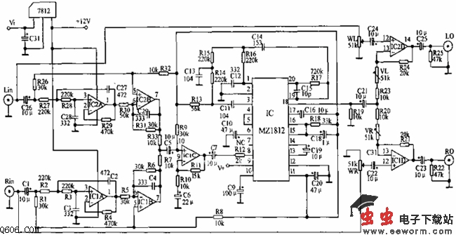
该电路可将双声道或单声道信号转化为两路前置主功放信号和两路后置环绕声信号。还设有音乐厅、电影院和模拟立体声三种声场模式,以及环绕声音效果、平衡、高低音及音量控制。各控制均采用直流电平,使电路杂音减小。声场模式由IC的7、8脚电平进行控制。7、8脚均接地时模拟声场关;7、8脚都接5V时为音乐厅效果;7脚接地、8脚接5V为影院效果;7脚接5V、8脚接地时为模拟立体声效果。电路中RP1为环绕声效果控制;RP2为输出平衡控制;RP3为前置主功放音量控制;RP4为后置环绕声音量控制;RP5、RP6为高低音控制。
觉得这篇文章有帮助吗?
👍 来顶一下 (
75
)
🔐 用户登录
×
加载中...
加载登录表单中...
🎁
免费注册送10积分
×
加载中...
加载注册表单中...
🔑 找回密码
×
加载中...
加载表单中...
🔐
需要登录
×
🔒
登录后即可使用!
🎁
新用户注册立即送10积分
积分可用于下载资源,免费获取优质技术资料
🚪
退出登录
×
👋
确认要退出登录吗?
退出后需要重新登录才能下载资源