⭐ 欢迎来到虫虫下载站!
|
📦 资源下载
📁 资源专辑
ℹ️ 关于我们
⭐ 虫虫下载站
🔐
登录
📝
注册
虫虫下载站
专业电子工程师资源平台
📤 上传资源
🏠 首页
📦 资源下载
📁 资源专辑
🔧 热门软件
⭐ 精品资源
🎓 基础知识
📐 电路图
📚 电子书
🔢 在线计算器
🔍 代码搜索
🏠 首页
›
电路图
›
基础电路
›
四通道红外遥控器电路图
四通道红外遥控器电路图
📅 发布时间:
2013-09-18 08:50
👁️ 浏览:
2
🏷️ 标签:
四通道
红外遥控器
电路图
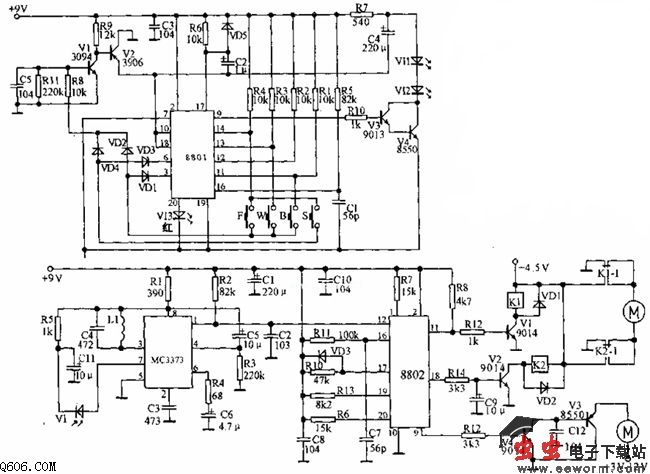
发射电路:当按下任一按键时,电源经VD2或VD4使V1、V2导通,集成电路得电,8801的9脚相应地输出-脉冲串,经V3、V4驱动,由红外发射管VI1、VI2辐射出去。
接收电路:红外信号由光电管从7脚输入MC3373,放大后的信号从1脚输出,送入译码器8802的12脚。当发射器“F”按下时,8802的11脚电压升为2.5V,V1导通,K1吸合,M正转。当接收到“B”信号时,11脚电压降低,18脚电压升为5V,K1释放,K2吸合,电机反转。按下“W”键时,9脚电压升高,V4、V5导通,可驱动100mA以下的直流电机,再按一下“W”,9脚复位。当接收机收到发射器的“S”信号时,8802复位,11、8、9脚都为0V.
觉得这篇文章有帮助吗?
👍 来顶一下 (
11
)
🔐 用户登录
×
加载中...
加载登录表单中...
🎁
免费注册送10积分
×
加载中...
加载注册表单中...
🔑 找回密码
×
加载中...
加载表单中...
🔐
需要登录
×
🔒
登录后即可使用!
🎁
新用户注册立即送10积分
积分可用于下载资源,免费获取优质技术资料
🚪
退出登录
×
👋
确认要退出登录吗?
退出后需要重新登录才能下载资源