⭐ 欢迎来到虫虫下载站!
|
📦 资源下载
📁 资源专辑
ℹ️ 关于我们
⭐ 虫虫下载站
🔐
登录
📝
注册
虫虫下载站
专业电子工程师资源平台
📤 上传资源
🏠 首页
📦 资源下载
📁 资源专辑
🔧 热门软件
⭐ 精品资源
🎓 基础知识
📐 电路图
📚 电子书
🔢 在线计算器
🔍 代码搜索
🏠 首页
›
电路图
›
基础电路
›
新型数码回声混响电路图
新型数码回声混响电路图
📅 发布时间:
2013-09-18 08:20
👁️ 浏览:
3
🏷️ 标签:
数码
回声
电路图
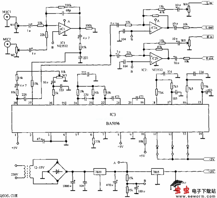
BA5096是一款新型数码回声混响电路。与以往数码电路不同的是:1.4MHz晶振封装于集成电路内部,使用方便;对话筒信号的采样频率达8kHz以上,克服了以往数码电路采样频率较低的缺点,在较大程度上提高了声音的清晰度,适合较高水准的人士演唱。电路设置了静音功能,便于增加遥控装置。可与单片机接口,便于与杜比解码器一起实现智能化。
BA5096主要技术指标:1、信噪比,环绕模式为-90dB;卡拉OK模式为-85dB。2、失真度,环绕模式0.3%;卡拉OK模式为1.5%。电路中BA5096第10脚接地时为环绕声模式,接电源时为卡拉OK模式。
觉得这篇文章有帮助吗?
👍 来顶一下 (
98
)
🔐 用户登录
×
加载中...
加载登录表单中...
🎁
免费注册送10积分
×
加载中...
加载注册表单中...
🔑 找回密码
×
加载中...
加载表单中...
🔐
需要登录
×
🔒
登录后即可使用!
🎁
新用户注册立即送10积分
积分可用于下载资源,免费获取优质技术资料
🚪
退出登录
×
👋
确认要退出登录吗?
退出后需要重新登录才能下载资源