⭐ 欢迎来到虫虫下载站!
|
📦 资源下载
📁 资源专辑
ℹ️ 关于我们
⭐ 虫虫下载站
🔐
登录
📝
注册
虫虫下载站
专业电子工程师资源平台
📤 上传资源
🏠 首页
📦 资源下载
📁 资源专辑
🔧 热门软件
⭐ 精品资源
🎓 基础知识
📐 电路图
📚 电子书
🔢 在线计算器
🔍 代码搜索
🏠 首页
›
电路图
›
基础电路
›
遥控门铃电路图
遥控门铃电路图
📅 发布时间:
2013-09-18 07:30
👁️ 浏览:
0
🏷️ 标签:
遥控
门铃电路
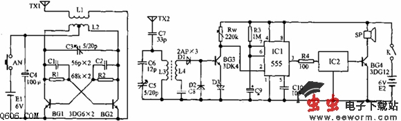
发射电路:由分立元件组成自激多谐振荡器,其振荡频率主要由L2、C3决定。图中元件可得30~40MHz的发射频率。平时电路处于断开状态,按下AN后电源接通,电路发出振荡信号。
接收电路:D1、D2组成倍压电路将L4感应到的信号进行倍压整流,其输出信号可使BG3饱和导通,其导通产生的负脉冲使555时基电路置位,其3脚输出高电平去触发音乐集成电路IC2工作。BG4作音频功率放大。R3、C9调节555的延迟时间。
觉得这篇文章有帮助吗?
👍 来顶一下 (
79
)
🔐 用户登录
×
加载中...
加载登录表单中...
🎁
免费注册送10积分
×
加载中...
加载注册表单中...
🔑 找回密码
×
加载中...
加载表单中...
🔐
需要登录
×
🔒
登录后即可使用!
🎁
新用户注册立即送10积分
积分可用于下载资源,免费获取优质技术资料
🚪
退出登录
×
👋
确认要退出登录吗?
退出后需要重新登录才能下载资源