⭐ 欢迎来到虫虫下载站!
|
📦 资源下载
📁 资源专辑
ℹ️ 关于我们
⭐ 虫虫下载站
🔐
登录
📝
注册
虫虫下载站
专业电子工程师资源平台
📤 上传资源
🏠 首页
📦 资源下载
📁 资源专辑
🔧 热门软件
⭐ 精品资源
🎓 基础知识
📐 电路图
📚 电子书
🔢 在线计算器
🔍 代码搜索
🏠 首页
›
电路图
›
基础电路
›
集成电路TUA1001的超短波调谐器电路图
集成电路TUA1001的超短波调谐器电路图
📅 发布时间:
2013-09-18 05:00
👁️ 浏览:
3
🏷️ 标签:
1001
TUA
集成电路
超短波
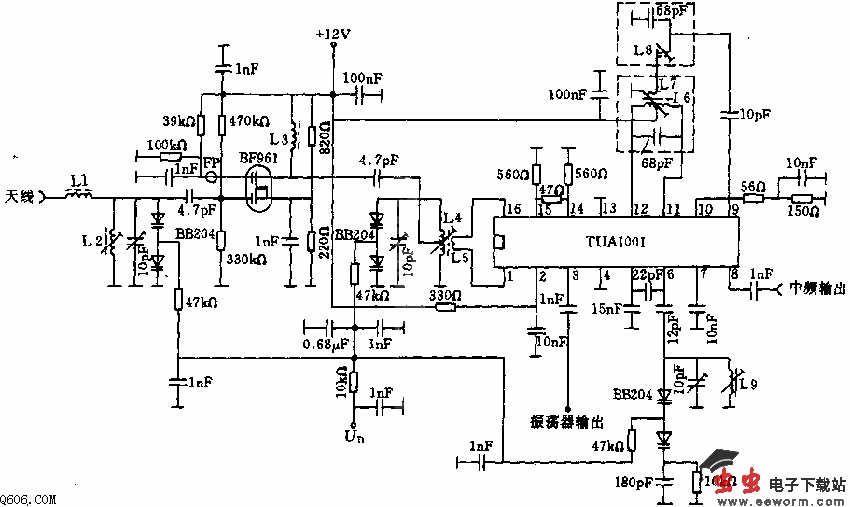
该电路主要包括MOS前置级和集成电路TUA1001.选择输入回路与MOS前置级以及集成电路中的有源环形混频器一起形成了有良好的预选性能和高的信号强度。前置级不可调,而是整定到最佳工作点上。前置级与混频级之间还有一个振荡回路,其中利用电容BB204调谐。
混频级的放大系数和线性度由脚14和15上的电阻确定。
振荡器的所有工作电流和电压都是稳定的,这样就使振荡器的幅值和频率同温度和工作电压无关。
觉得这篇文章有帮助吗?
👍 来顶一下 (
35
)
🔐 用户登录
×
加载中...
加载登录表单中...
🎁
免费注册送10积分
×
加载中...
加载注册表单中...
🔑 找回密码
×
加载中...
加载表单中...
🔐
需要登录
×
🔒
登录后即可使用!
🎁
新用户注册立即送10积分
积分可用于下载资源,免费获取优质技术资料
🚪
退出登录
×
👋
确认要退出登录吗?
退出后需要重新登录才能下载资源