⭐ 欢迎来到虫虫下载站!
|
📦 资源下载
📁 资源专辑
ℹ️ 关于我们
⭐ 虫虫下载站
🔐
登录
📝
注册
虫虫下载站
专业电子工程师资源平台
📤 上传资源
🏠 首页
📦 资源下载
📁 资源专辑
🔧 热门软件
⭐ 精品资源
🎓 基础知识
📐 电路图
📚 电子书
🔢 在线计算器
🔍 代码搜索
🏠 首页
›
电路图
›
基础电路
›
远距离遥控简法电路图
远距离遥控简法电路图
📅 发布时间:
2013-09-18 03:50
👁️ 浏览:
3
🏷️ 标签:
遥控
电路图
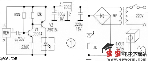
接收机为两台电视机提供信号,一台电视机放在客厅,另一台电视机连同卫星接收机放在卧室。在卧室内收看电视节目换台方便,但在客厅内收看电视节目时,换台就费事了,需手拿遥控器到卧室换一下台,再回到客厅观看节目,很费事。为了方便收视,就设计制作了一套远距离红外遥控装置,经实际使用,效果良好。该电路的原理和制作过程如下:
红外接收头REM可选用通用一体化红外接收头,形状如图,REM收到的红外遥控信号经V1、V2放大后推动红外发射管工作。图中虚线以外部分放在客厅,红外发射二极管用同轴电缆与接收部分相连后,置于卧室卫星接收机前适当的隐蔽处。有了这套装置,便可以拿着遥控器方便地在客厅里选看需要收视的电视节目了。
觉得这篇文章有帮助吗?
👍 来顶一下 (
74
)
🔐 用户登录
×
加载中...
加载登录表单中...
🎁
免费注册送10积分
×
加载中...
加载注册表单中...
🔑 找回密码
×
加载中...
加载表单中...
🔐
需要登录
×
🔒
登录后即可使用!
🎁
新用户注册立即送10积分
积分可用于下载资源,免费获取优质技术资料
🚪
退出登录
×
👋
确认要退出登录吗?
退出后需要重新登录才能下载资源