⭐ 欢迎来到虫虫下载站!
|
📦 资源下载
📁 资源专辑
ℹ️ 关于我们
⭐ 虫虫下载站
🔐
登录
📝
注册
虫虫下载站
专业电子工程师资源平台
📤 上传资源
🏠 首页
📦 资源下载
📁 资源专辑
🔧 热门软件
⭐ 精品资源
🎓 基础知识
📐 电路图
📚 电子书
🔢 在线计算器
🔍 代码搜索
🏠 首页
›
电路图
›
基础电路
›
高性能红外遥控开关电路图
高性能红外遥控开关电路图
📅 发布时间:
2013-09-18 02:10
👁️ 浏览:
3
🏷️ 标签:
性能
开关电路图
红外遥控
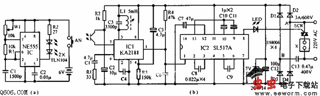
发射器采用555接成多谐振荡器,振荡频率约为35kHz,驱动红外发射管,其正向电流约为60mA。接收器由红外接收头、前置放大与检波、放大与双稳电路及可控硅控制电路等组成。专用红外集成块KA2818内部有前置放大、调谐、检波、AGC和波形修正电路,该电路输出负脉冲波。IC7为声控集成块SL517A,其功能包括:放大、翻转触发、驱动等,每接收一次红外信号,电路翻转一次,可控硅改变一次状态。
觉得这篇文章有帮助吗?
👍 来顶一下 (
51
)
🔐 用户登录
×
加载中...
加载登录表单中...
🎁
免费注册送10积分
×
加载中...
加载注册表单中...
🔑 找回密码
×
加载中...
加载表单中...
🔐
需要登录
×
🔒
登录后即可使用!
🎁
新用户注册立即送10积分
积分可用于下载资源,免费获取优质技术资料
🚪
退出登录
×
👋
确认要退出登录吗?
退出后需要重新登录才能下载资源