⭐ 欢迎来到虫虫下载站!
|
📦 资源下载
📁 资源专辑
ℹ️ 关于我们
⭐ 虫虫下载站
🔐
登录
📝
注册
虫虫下载站
专业电子工程师资源平台
📤 上传资源
🏠 首页
📦 资源下载
📁 资源专辑
🔧 热门软件
⭐ 精品资源
🎓 基础知识
📐 电路图
📚 电子书
🔢 在线计算器
🔍 代码搜索
🏠 首页
›
电路图
›
基础电路
›
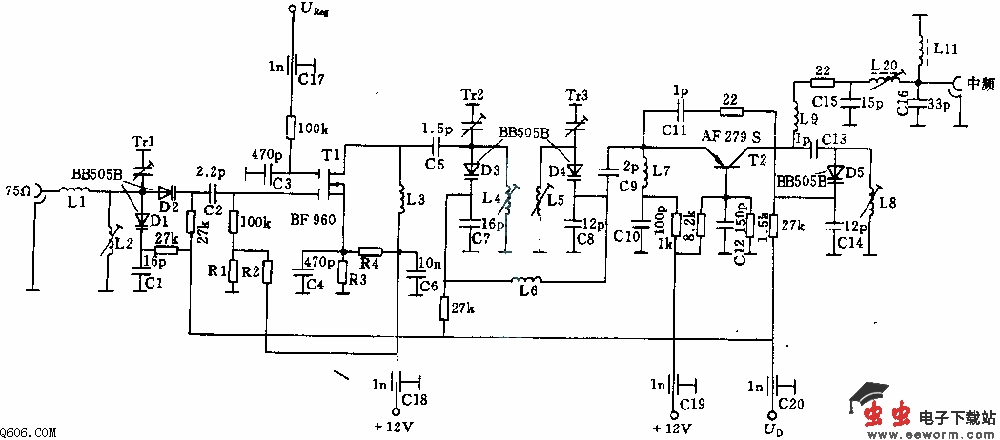
采用Mos前置级的超高频调谐器电路图
采用Mos前置级的超高频调谐器电路图
📅 发布时间:
2013-09-17 23:40
👁️ 浏览:
12
🏷️ 标签:
Mos
超高频
调谐器
电路图
大多数超高频调谐器都以非周期的输入电路工作。为了降低频带外的干扰,在输入晶体管前接入一个高通滤波器。但如果在超高频带内本身存在干扰,则在第一个晶体管的输入端不可能削弱这些信号。对于允许的干扰电压量有决定影响的是交叉调制强度。
为了改善交叉调制强度,可以采用MOS四极管和选择输入回路,如图中所示电路。该电路前置级和自振荡混频级间的带通滤波器具有良好的选择性。
觉得这篇文章有帮助吗?
👍 来顶一下 (
21
)
🔐 用户登录
×
加载中...
加载登录表单中...
🎁
免费注册送10积分
×
加载中...
加载注册表单中...
🔑 找回密码
×
加载中...
加载表单中...
🔐
需要登录
×
🔒
登录后即可使用!
🎁
新用户注册立即送10积分
积分可用于下载资源,免费获取优质技术资料
🚪
退出登录
×
👋
确认要退出登录吗?
退出后需要重新登录才能下载资源