⭐ 欢迎来到虫虫下载站!
|
📦 资源下载
📁 资源专辑
ℹ️ 关于我们
⭐ 虫虫下载站
🔐
登录
📝
注册
虫虫下载站
专业电子工程师资源平台
📤 上传资源
🏠 首页
📦 资源下载
📁 资源专辑
🔧 热门软件
⭐ 精品资源
🎓 基础知识
📐 电路图
📚 电子书
🔢 在线计算器
🔍 代码搜索
🏠 首页
›
电路图
›
基础电路
›
555流水式彩灯控制电路图
555流水式彩灯控制电路图
📅 发布时间:
2013-09-17 19:10
👁️ 浏览:
0
🏷️ 标签:
555
彩灯控制
电路图
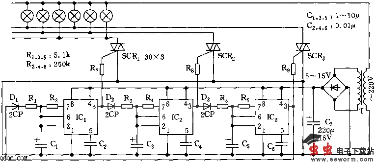
如图所示,彩灯控制电路以三支555为核心,组成循环触发单稳延时电路,分别控制各路的SCR循环导通,彩灯依次点亮,形似流水。
在IC1的3脚呈高电平时,SCR1导通,它控制的灯亮,同时,3脚的高电位通过R3对C3充电,当充到C3上的电压高于6脚的阈值电平2/3Vdd时,IC2置位,输出高电平,SCR2导通,它控制的灯亮,同时,对C5充电……,如此循环,导通,点亮。SCR视灯的多少采用不同功率的可控硅,555采用双极型的,驱动电流可达150mA。
觉得这篇文章有帮助吗?
👍 来顶一下 (
27
)
🔐 用户登录
×
加载中...
加载登录表单中...
🎁
免费注册送10积分
×
加载中...
加载注册表单中...
🔑 找回密码
×
加载中...
加载表单中...
🔐
需要登录
×
🔒
登录后即可使用!
🎁
新用户注册立即送10积分
积分可用于下载资源,免费获取优质技术资料
🚪
退出登录
×
👋
确认要退出登录吗?
退出后需要重新登录才能下载资源