⭐ 欢迎来到虫虫下载站!
|
📦 资源下载
📁 资源专辑
ℹ️ 关于我们
⭐ 虫虫下载站
🔐
登录
📝
注册
虫虫下载站
专业电子工程师资源平台
📤 上传资源
🏠 首页
📦 资源下载
📁 资源专辑
🔧 热门软件
⭐ 精品资源
🎓 基础知识
📐 电路图
📚 电子书
🔢 在线计算器
🔍 代码搜索
🏠 首页
›
电路图
›
基础电路
›
卫星电视接收机视频处理电路图
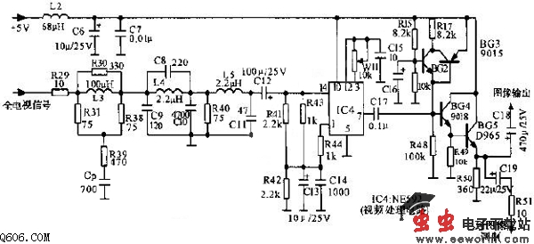
卫星电视接收机视频处理电路图
📅 发布时间:
2013-09-17 18:40
👁️ 浏览:
7
🏷️ 标签:
卫星电视
接收机
视频处理
电路图
由高频解调电路送来的全电视信号,经滤波电路滤去伴音信号之后,经视频处理集成块NE592(IC4)及射随器,输出图像信号。该信号分为两路:一路送视频输出孔;另一路送电视信号调制器。本电路所需5V电压由上图电路引入。
觉得这篇文章有帮助吗?
👍 来顶一下 (
12
)
🔐 用户登录
×
加载中...
加载登录表单中...
🎁
免费注册送10积分
×
加载中...
加载注册表单中...
🔑 找回密码
×
加载中...
加载表单中...
🔐
需要登录
×
🔒
登录后即可使用!
🎁
新用户注册立即送10积分
积分可用于下载资源,免费获取优质技术资料
🚪
退出登录
×
👋
确认要退出登录吗?
退出后需要重新登录才能下载资源