555“生日快乐”电子蜡烛电路图

📅 发布时间:2013-09-17 15:40 👁️ 浏览:16 🏷️ 标签: 555 电子 电路图
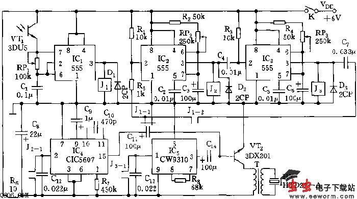
  电路如图所示,由光控电子开关、定时电路、语音电路和音响电路等四部分组成。用于祝贺生日或庆贺,伴随生日蜡烛的点燃或吹熄进行乐曲鸣奏,生日气氛浓烈。
  光控开关由光导纤维、光敏管、IC1等组成。当点上生日蜡烛时,由光导纤维传来的光束,使光敏三极管3DU3的极间电阻减至几十千欧以下,555起振,J1吸合,J1-1脱开,J1-2闭合,接通循环通路。
  定时电路由IC2、IC3、R2、RP2、C3、R4、RP3、C5等组成。定时时间td=1.1(R+RP)C。调节RP2,使IC2的延时td1=1.1(R2+RP2)C3,约在5~6秒,使J2吸合,触发IC4,使音响电路刚好输出两句英语“Happy Birthday”。IC2暂稳宽度一结束,就触发由IC3和R4、RP3、C6组成的单稳态,使IC3置位,其延时脉宽为td2=1.1(R4+RP3)C6,约10~15秒,使之在J3吸合期间,由IC5演奏“祝您生日快乐”的电子乐曲。J3释放,再次触发IC2,如此循环,直至生日蜡烛被熄灭,语音与乐曲才停止。IC4采用CIC5607语音IC,内储“Happy Birthday”祝贺语,IC5采用CW9310,内储“祝您生日快乐”乐曲。
觉得这篇文章有帮助吗?