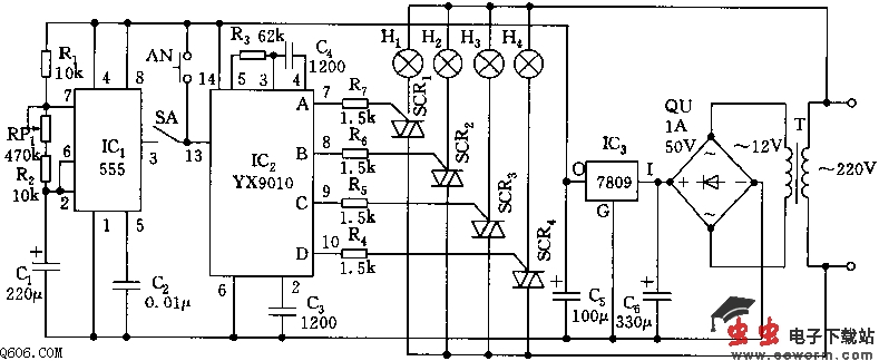
彩灯控制电路由多谐振荡器,控制电路和可控硅触发电路及降压供电电路等组成。交流降压整流电路为IC1、IC2提供+9V的直流电压。IC2采用彩灯控制专用集成电路YX9010,其芯片内存有八种彩灯控制方式。这种集成块的外围电路十分简单。对它的控制可采用手动或自动方式。AN为手动开关,每按压一次,彩灯显示方案变换一次,可实现四路彩灯全亮、快慢速向前循环闪光、快慢速向后循环闪光及向前、后变换闪光等。

SA为自动方式开关,将它与IC1的输出3脚相接(闭合),可实现彩灯的自动转换和控制。IC1(555)和R1、RP1、R2、C1等组成一个多谐振荡器,它的振荡周期T=0.693(R1+2R2+RP1)C1
图示参数给出的振荡周期为5~76秒,占空比接近1:1.IC1输出的多谐振荡脉冲加至IC2的控制方式转换端13脚,每来一次高电平,彩灯专用IC2的输出A、B、C、D状态变换一次。随着无稳态电路的不断翻转,彩灯的闪光花样和色彩也不断翻转,周而复始依次变换,产生梦幻效果。电路中的可控硅可根据负载彩灯的功率大小来选定,可选用3CTS-1A、3CTS-3A、SCTS-5A等,要求其反向击穿电压不应低于400V(D级)的双向可控硅。
觉得这篇文章有帮助吗?