⭐ 欢迎来到虫虫下载站!
|
📦 资源下载
📁 资源专辑
ℹ️ 关于我们
⭐ 虫虫下载站
🔐
登录
📝
注册
虫虫下载站
专业电子工程师资源平台
📤 上传资源
🏠 首页
📦 资源下载
📁 资源专辑
🔧 热门软件
⭐ 精品资源
🎓 基础知识
📐 电路图
📚 电子书
🔢 在线计算器
🔍 代码搜索
🏠 首页
›
电路图
›
基础电路
›
555霓虹灯高频高压源电路图
555霓虹灯高频高压源电路图
📅 发布时间:
2013-09-17 13:50
👁️ 浏览:
2
🏷️ 标签:
555
霓虹灯
电路图
高频
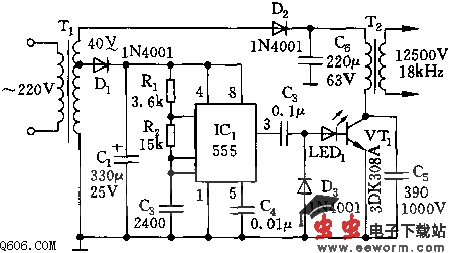
这种电源是以一块时基电路555为核心组成的,电路如图所示。555和R1、R2、C2等组成一个多谐振荡器,其振荡频率f=1.44/(R1+2R2)C2
图示参数的振荡频率为17.8kHz,输出脉冲的占空比接近于1:1.555的输出经D3等底部割切后,驱动高频放大器VT1.该放大器由于基极D3、LED1的接入,使其工作在丙类状态。C5用来防止反峰电压出现,保护晶体管VT1.放大器变压器的次级可输出约12500V的高频电压,可用来驱动3~6m长的霓虹灯点燃发光。VT1采用大功率管3DK308A或BU406,其电参数为7A/400V/60W,ft不低于6MHz。
觉得这篇文章有帮助吗?
👍 来顶一下 (
26
)
🔐 用户登录
×
加载中...
加载登录表单中...
🎁
免费注册送10积分
×
加载中...
加载注册表单中...
🔑 找回密码
×
加载中...
加载表单中...
🔐
需要登录
×
🔒
登录后即可使用!
🎁
新用户注册立即送10积分
积分可用于下载资源,免费获取优质技术资料
🚪
退出登录
×
👋
确认要退出登录吗?
退出后需要重新登录才能下载资源