555电子圣诞树电路图

📅 发布时间:2013-09-17 13:30 👁️ 浏览:4 🏷️ 标签: 555 电子 圣诞
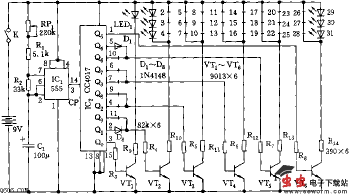
  如图所示,电路包括时钟脉冲产生器、脉冲分配电路和驱动显示电路。
  555和RP1、R1、R2、C1组成无稳态多谐振荡器,振荡频率f=1.44/(RP1+R1+2R2)C1.振荡周期T=1/f在0.5~15秒,可调。它的输出作为IC2的计数时钟,IC2采用十进制计数器/脉冲分配器CC4017,在时钟作用下,Q0~Q9依次出现高电平脉冲,脉冲宽度为时钟周期,将对应的VT1→VT6依次饱和导通,则对应的各路LED1~LED31发光二极管依次点亮,如圣诞树布置得当,犹如群星闪烁,增加节日气氛。IC2计数七次后,VT5→VT1依次饱和导通,LED28→LED1依次点亮。周而复始,循环不已。
觉得这篇文章有帮助吗?