⭐ 欢迎来到虫虫下载站!
|
📦 资源下载
📁 资源专辑
ℹ️ 关于我们
⭐ 虫虫下载站
🔐
登录
📝
注册
虫虫下载站
专业电子工程师资源平台
📤 上传资源
🏠 首页
📦 资源下载
📁 资源专辑
🔧 热门软件
⭐ 精品资源
🎓 基础知识
📐 电路图
📚 电子书
🔢 在线计算器
🔍 代码搜索
🏠 首页
›
电路图
›
基础电路
›
高工作电压的稳压电路图
高工作电压的稳压电路图
📅 发布时间:
2013-09-17 12:30
👁️ 浏览:
7
🏷️ 标签:
工作电压
稳压
电路图
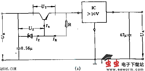
由电压方程Ue=Ut+Ur+Ua可知,晶体管上电压Ut的大小将决定输出电压Ua的最大值。同时应有Ur》2V.电压Ut取决于稳压管稳压值Uz的选择。图a中的电阻R的选取要满足Iz=Ib+Ir式的边界条件或Ir≈10·Ib的原则。此电路适于集成电路有较高工作电压的场合,在较低电压时,例如Ue=5V,则应采用图b电路。稳压管的稳压值至少高出输出电压Ua4V.电阻R的选择同电路a。
觉得这篇文章有帮助吗?
👍 来顶一下 (
56
)
🔐 用户登录
×
加载中...
加载登录表单中...
🎁
免费注册送10积分
×
加载中...
加载注册表单中...
🔑 找回密码
×
加载中...
加载表单中...
🔐
需要登录
×
🔒
登录后即可使用!
🎁
新用户注册立即送10积分
积分可用于下载资源,免费获取优质技术资料
🚪
退出登录
×
👋
确认要退出登录吗?
退出后需要重新登录才能下载资源