⭐ 欢迎来到虫虫下载站!
|
📦 资源下载
📁 资源专辑
ℹ️ 关于我们
⭐ 虫虫下载站
🔐
登录
📝
注册
虫虫下载站
专业电子工程师资源平台
📤 上传资源
🏠 首页
📦 资源下载
📁 资源专辑
🔧 热门软件
⭐ 精品资源
🎓 基础知识
📐 电路图
📚 电子书
🔢 在线计算器
🔍 代码搜索
🏠 首页
›
电路图
›
基础电路
›
集成触发器td1028的晶闸管电路图
集成触发器td1028的晶闸管电路图
📅 发布时间:
2013-09-17 12:20
👁️ 浏览:
5
🏷️ 标签:
1028
td
集成
触发器
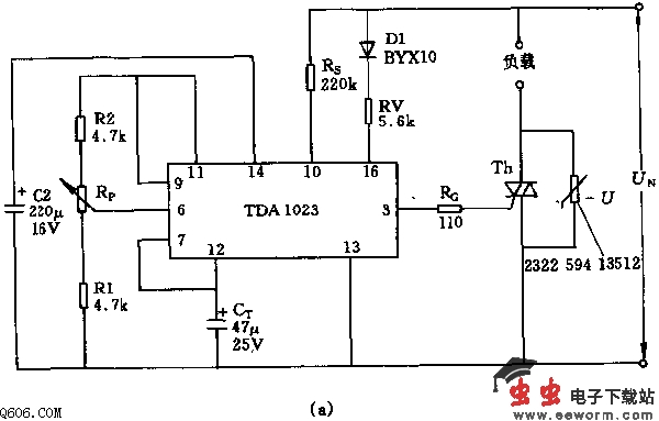
该电路可以控制1~2kW的输出功率。负载可以是电饭锅等。调节电位器Rp(47M欧)可以使输出功率自0至100%改变。电容Ct用于调节工作时间,图a中Ct=47uF,对应的最短时间为15s。电阻R1和R2的选择要能保证有足够的功率调节范围。输出功率P与调整范围(均用百分数表示)之间的关系如图b所示。
觉得这篇文章有帮助吗?
👍 来顶一下 (
89
)
🔐 用户登录
×
加载中...
加载登录表单中...
🎁
免费注册送10积分
×
加载中...
加载注册表单中...
🔑 找回密码
×
加载中...
加载表单中...
🔐
需要登录
×
🔒
登录后即可使用!
🎁
新用户注册立即送10积分
积分可用于下载资源,免费获取优质技术资料
🚪
退出登录
×
👋
确认要退出登录吗?
退出后需要重新登录才能下载资源