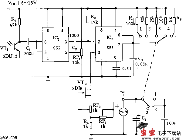
光电传感头采用光敏管3DU12或3DU5.一般是在转动盘上打小孔透光,对侧放一发光源,转一圈从孔中透一次光。平时,3DU管因无光照,呈高阻,一旦透光,因光照呈低阻,有一负向尖脉冲加至555的2脚,则IC1置位,翻转一次。IC2(555)和C3、R4~R8组成单稳延时电路,td=1.1(R4~R8)C3,不同档,对应不同的暂稳脉宽。转速不同,555的返转次数不同,输出波形的占空比不同。VT2、RP2、R3组成恒流源电路,在高电平期间导通,经RP3、C4平滑滤波,在mA表上显示其转速的相对大小。RP2用于调节满刻度。

觉得这篇文章有帮助吗?