⭐ 欢迎来到虫虫下载站!
|
📦 资源下载
📁 资源专辑
ℹ️ 关于我们
⭐ 虫虫下载站
🔐
登录
📝
注册
虫虫下载站
专业电子工程师资源平台
📤 上传资源
🏠 首页
📦 资源下载
📁 资源专辑
🔧 热门软件
⭐ 精品资源
🎓 基础知识
📐 电路图
📚 电子书
🔢 在线计算器
🔍 代码搜索
🏠 首页
›
电路图
›
基础电路
›
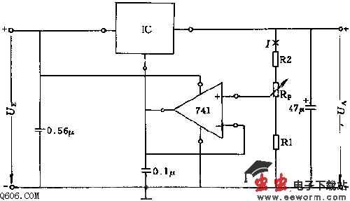
输出电压可调的稳压电路图
输出电压可调的稳压电路图
📅 发布时间:
2013-09-17 09:00
👁️ 浏览:
0
🏷️ 标签:
输出
电压可调
稳压
电路图
电路中R2+RP+R1支路电阻值的大小决定了电流I的大小,此电流应大于运算放大器的输入电流,约为I=1mA。它又决定于输出电压最低值UAmin。故在调节到最高输出电压值时电流I也应相应地变大。电阻R1取值应使低输出电压下R1上电压大于0.5V,以稳定运算放大器的工作范围。最低输出电压由UR1+UR决定,UR集成稳压器恒定电压。最大输出电压由UeX(-Us+UR2)决定。如果Us=1.5V,UR2=1V,则Umax≈Ue=-2.5V.
觉得这篇文章有帮助吗?
👍 来顶一下 (
58
)
🔐 用户登录
×
加载中...
加载登录表单中...
🎁
免费注册送10积分
×
加载中...
加载注册表单中...
🔑 找回密码
×
加载中...
加载表单中...
🔐
需要登录
×
🔒
登录后即可使用!
🎁
新用户注册立即送10积分
积分可用于下载资源,免费获取优质技术资料
🚪
退出登录
×
👋
确认要退出登录吗?
退出后需要重新登录才能下载资源