简单的晶体管逆变器电路图

📅 发布时间:2013-09-17 01:10 👁️ 浏览:1 🏷️ 标签: 晶体管 逆变器电路图
    在偏远乡村,经常会有停电现象,有些大学到一定时间也会自动关灯,不过这没关系,有了它,这些就可以解决。



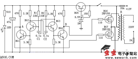
   这是一款非常容易制作的逆变器,可以将12V电源电压变为220V市电,电路由BG2和BG3组成的多谐振荡器推动,再通过BG1和BG2驱动,来控制BG6和BG7工作。

    其中振荡电路由BG5与DW组的稳压电源供电,这样可以使输出频率比较稳定。

    在制作时,变压器可选有常用双12V输出的市电变压器。可根据需要,选择12V蓄电池的容量。
觉得这篇文章有帮助吗?