555多用途检修器电路图

📅 发布时间:2013-09-16 23:20 👁️ 浏览:2 🏷️ 标签: 555 多用 检修 电路图
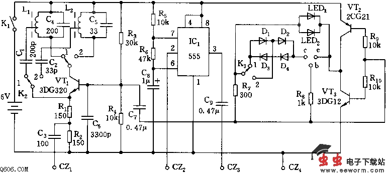
  该检修器有以下功能:可在线判断二极管、三极管的好坏;测试TTL的逻辑电平或高阻状态;可输出37MHz、74MHz、148MHz的电视横条信号;可输出465kHz、930kHz、1395kHz的调幅信号。
  如图所示,555和R5、R6、C8组成无稳态多谐振荡器,输出分别加至VT1、VT2等多处,作为测试信号(200Hz)。输出高电平时,VT2截止,VT3导通;低电平时,VT2导通。VT3截止。测试二极管、三极管,从LED1、LED2的发光情况,可判断管的好坏。
  VT1、L1、L2、C1~C7及555振荡器组成点频信号产生电路。K2在“1”处,CZ1输出465、930、1395kHz的调幅信号,用以检修收音机、收录机等;K2置“2”处,CZ1输出37、74、148MHz电视横条信号,用以检修高频头和通道部分。CZ4为公共地。
觉得这篇文章有帮助吗?