⭐ 欢迎来到虫虫下载站!
|
📦 资源下载
📁 资源专辑
ℹ️ 关于我们
⭐ 虫虫下载站
🔐
登录
📝
注册
虫虫下载站
专业电子工程师资源平台
📤 上传资源
🏠 首页
📦 资源下载
📁 资源专辑
🔧 热门软件
⭐ 精品资源
🎓 基础知识
📐 电路图
📚 电子书
🔢 在线计算器
🔍 代码搜索
🏠 首页
›
电路图
›
基础电路
›
555数字式电容测试仪电路图
555数字式电容测试仪电路图
📅 发布时间:
2013-09-16 22:10
👁️ 浏览:
0
🏷️ 标签:
555
数字式
电容测试仪
电路图
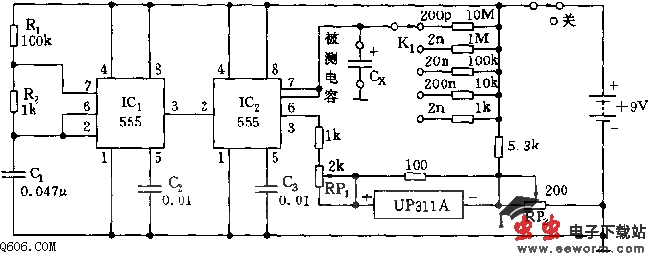
IC1(555)和R1、R2、C1组成无稳态多谐振荡器,振荡频率f=1.44/(R1+2R2)C1
由于R1》R2,故振荡脉冲的占空比高达98%。它输出的脉冲波形作为IC2的控制波。IC2与待测电容Cx和各量程电阻等组成可控振荡器。利用振荡周期与Cx的容量大小成正比的关系,将电容量变换成相应的电压值,并在数字面板表UP311A(3位半)上显示数字读数。RP1用于调节满量程,RP2用于调节表头零点。要求与开关K1相连得电阻的允许精度为正负1%,以保证测试精度。
觉得这篇文章有帮助吗?
👍 来顶一下 (
84
)
🔐 用户登录
×
加载中...
加载登录表单中...
🎁
免费注册送10积分
×
加载中...
加载注册表单中...
🔑 找回密码
×
加载中...
加载表单中...
🔐
需要登录
×
🔒
登录后即可使用!
🎁
新用户注册立即送10积分
积分可用于下载资源,免费获取优质技术资料
🚪
退出登录
×
👋
确认要退出登录吗?
退出后需要重新登录才能下载资源