
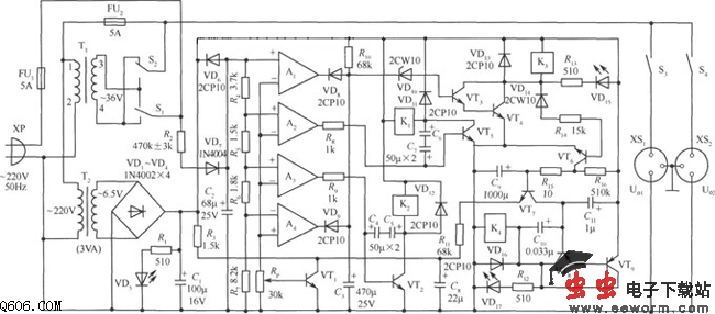
图中,R2、R4、R5、R6 5只取样电阻的实际值应为:470kΩ±3kΩ、3.7kΩ±300Ω、1.5kΩ±100Ω、1.8kΩ±100Ω、8.2kΩ±200Ω;发光二极管VD5:BT312(红色);VD15、VD17:BT313(绿色);稳压二极管VD10、VD14:2CW10(1.5~2.5V),可用3只3DG发射结串联代替;三极管VT1:9013,β=70;VT2、VT4、VT5:9013,β≥100;VT3、VT6、VT7:9013,β=100;VT8:9012,β=100;VT9:9012,β≥100;VT3、VT7、VT8 3只管子的穿透电流应不大于0.5μA;集成电路Al~A4:LM324;C9电容的漏电阻用指针式万用表1k挡测量应不小于1.5MΩ;T1采用普通36V±4V电源变压器,变压器的功率为20W、40W、60W时,稳压器的负荷容量分别为110W、220W、330W;4只继电器Kl~K4采用JZC-21F(T70)小型继电器,触头电流有3A、5A、8A三种规格,可根据稳压器的负载情况选用相应的规格;T2采用普通的3W电源变压器,次级电压为6.5~7V;其他元器件按如图所示参数选用即可。
觉得这篇文章有帮助吗?