⭐ 欢迎来到虫虫下载站!
|
📦 资源下载
📁 资源专辑
ℹ️ 关于我们
⭐ 虫虫下载站
🔐
登录
📝
注册
虫虫下载站
专业电子工程师资源平台
📤 上传资源
🏠 首页
📦 资源下载
📁 资源专辑
🔧 热门软件
⭐ 精品资源
🎓 基础知识
📐 电路图
📚 电子书
🔢 在线计算器
🔍 代码搜索
🏠 首页
›
电路图
›
基础电路
›
555线性音频频率计电路图
555线性音频频率计电路图
📅 发布时间:
2013-09-16 21:40
👁️ 浏览:
12
🏷️ 标签:
555
线性
电路图
音频
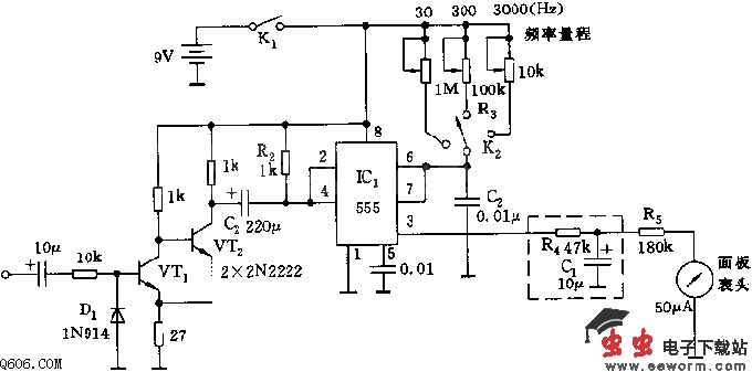
频率计包括脉冲放大整形、微分、单稳定时、平均值电路和表头指示,用于对音频范围内的未知频率信号进行频率测量。
VT1、VT2将待测信号放大限幅后,经C2、R2微分后,触发由555和R3、C3组成的单稳定时电路,暂稳时间td=1.1R3C3,不同的频率范围可通过选择不同的量程来测量,其原则是单稳态的暂稳时间应小于待测信号的周期。R4、C1为滤波网络,目的是取出适用于表头指示的平均值,并经R5限流后加至50uA表头。
觉得这篇文章有帮助吗?
👍 来顶一下 (
30
)
🔐 用户登录
×
加载中...
加载登录表单中...
🎁
免费注册送10积分
×
加载中...
加载注册表单中...
🔑 找回密码
×
加载中...
加载表单中...
🔐
需要登录
×
🔒
登录后即可使用!
🎁
新用户注册立即送10积分
积分可用于下载资源,免费获取优质技术资料
🚪
退出登录
×
👋
确认要退出登录吗?
退出后需要重新登录才能下载资源