555直读式频率计电路图

📅 发布时间:2013-09-16 21:10 👁️ 浏览:5 🏷️ 标签: 555 频率计 电路图
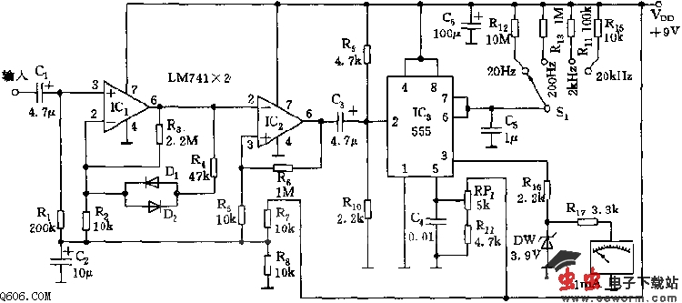
  直读式频率计由放大器、触发器和单稳态电路及表头等组成。可在1mA表头上直读检测的信号,最高信号频率可达20kHz,灵敏度不小于100mV。
  IC1、IC2采用LM741运算放大器,第一级用作放大,第二级为施密特触发器,对输入信号进行整形,使IC2的输出信号频率与输入信号的频率相同。与输入信号幅值无关。555和R12~R15、C5等组成单稳态触发电路,单稳态的暂稳持续时间按照输入信号频率的高低,选择不同的时间常数,或“档”,使555输出高电平的持续时间与输入信号的频率成正比,从而改变表头指针的偏转角度。DW稳压管作为斩波使用,使加到表头的脉冲幅值相同。
  调节RP1可改变555内部比较器的基准电压值,即改变单稳的待续时间,用以对本频率计进行校准。
觉得这篇文章有帮助吗?