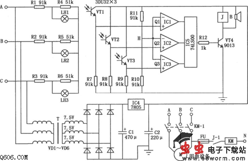
电压型光电传感式断路、缺相保护电路图

📅 发布时间:2013-09-16 19:50 👁️ 浏览:4 🏷️ 标签: 电压型 光电 传感式 断路



    本电路为电压型光电传感式三相断路保护器,在电源缺相时会发出报警声,同时自动发出切断电源的指令。

觉得这篇文章有帮助吗?